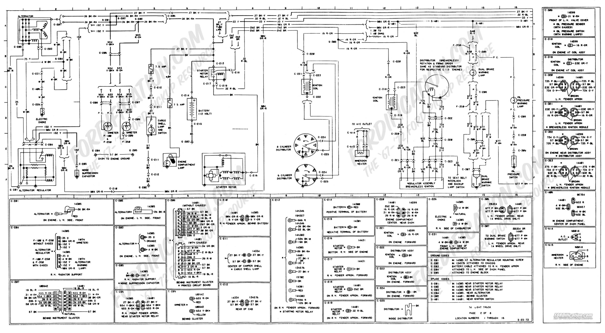
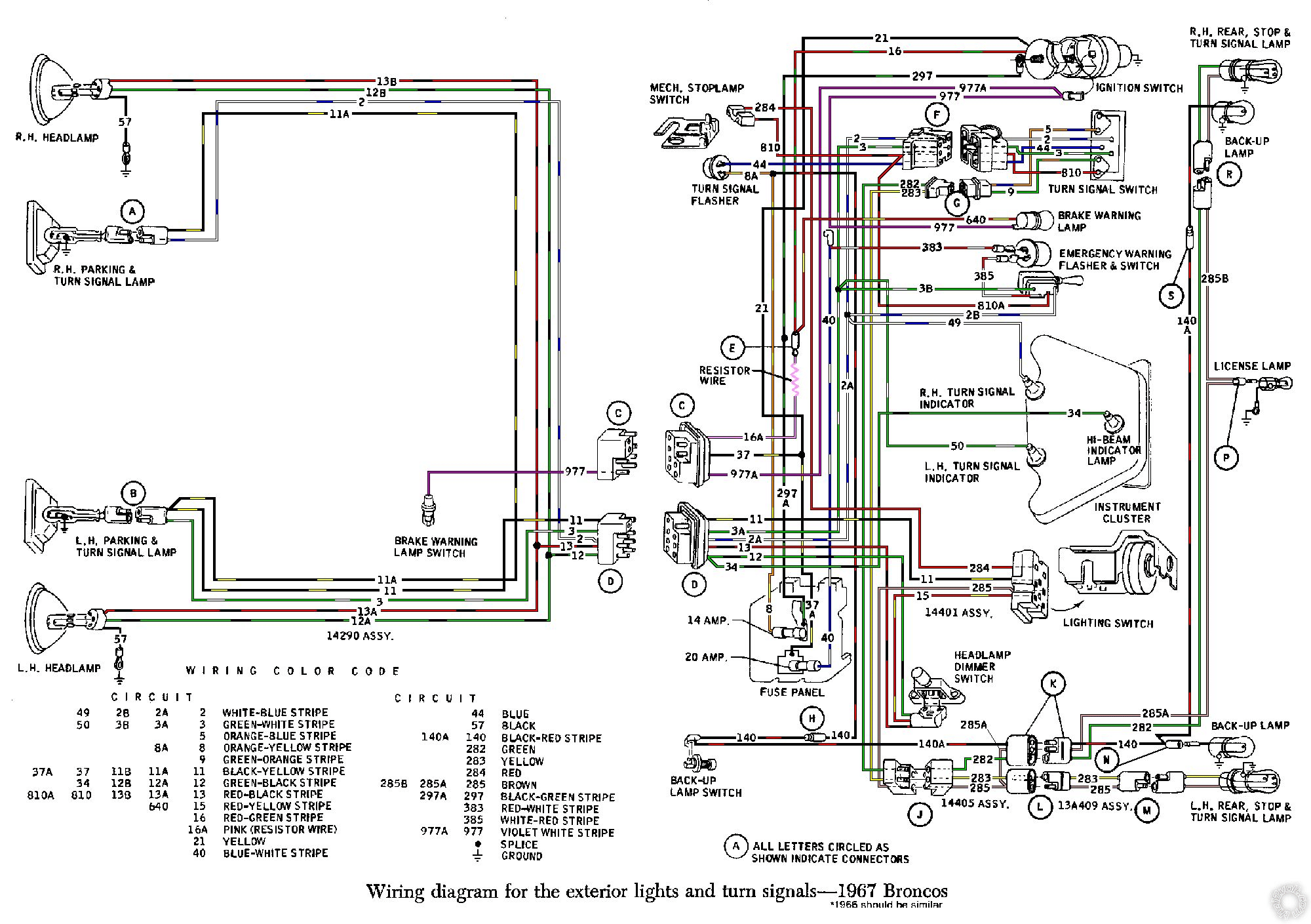
Printable Free Ford Wiring Diagrams – Maintain a dependable Printable Free Ford Wiring Diagrams within reach with our free, easy-to-print version. Download it straight away and circumvent the seeking.

Are you a DIY enthusiast looking to work on your Ford vehicle’s electrical system? Look no further than printable free Ford wiring diagrams! These handy resources provide detailed schematics of your vehicle’s wiring, making troubleshooting and repairs a breeze. Say goodbye to flipping through bulky manuals or scouring the internet for unreliable information – with printable free Ford wiring diagrams, you’ll have everything you need right at your fingertips.
Whether you’re a seasoned mechanic or a novice tinkerer, printable free Ford wiring diagrams are essential for any electrical work on your vehicle. With clear and concise diagrams for each specific model and year, you can easily pinpoint the issue and tackle it head-on. No more guesswork or trial and error – these diagrams will save you time, money, and frustration. So roll up your sleeves, grab your tools, and get ready to tackle any wiring project with confidence and ease.
Unlock the Power of Knowledge
With printable free Ford wiring diagrams, you have the power to unlock the mysteries of your vehicle’s electrical system. Understanding how everything is connected and where potential issues may lie is crucial for successful repairs and upgrades. Armed with this knowledge, you can confidently tackle any wiring project, from installing new accessories to troubleshooting faulty connections. Say goodbye to costly trips to the mechanic – with these diagrams, you can become your own automotive expert.
Empower Yourself with Information
Empower yourself with the information you need to keep your Ford vehicle running smoothly and efficiently. Printable free Ford wiring diagrams put the power back in your hands, allowing you to take control of your vehicle’s electrical system like never before. No more feeling intimidated by complex wiring – with these handy diagrams, you can approach any project with confidence and skill. So why wait? Dive into the world of printable free Ford wiring diagrams today and unleash your inner DIY guru.
Printable Free Ford Wiring Diagrams



Related Printables..
Disclaimer: Images displayed on this website are used for informational and educational purposes under fair use. Copyright belongs to the original creators. To request removal of an image, send us a valid notice, and we will act quickly to resolve the issue.